Craftsman Lt2000 Deck Belt Routing - This drive belt replacement procedure works for common craftsman, toro, troybilt, mtd, husqvarna, poulan, murray and ariens.

Craftsman Lt2000 Deck Belt Routing - This drive belt replacement procedure works for common craftsman, toro, troybilt, mtd, husqvarna, poulan, murray and ariens.. This is assuming the same 42 inch mower deck is still in use. I have a craftsman lt 2000 model lawn tractor. On a 46 inch deck, it's probable that the craftsman lt 1000 deck belt diagram. See updated privacy policy or contact us at craftsman@sbdinc.com or 6275 millcreek drive, mississauga, on l5n 7k6, for more information. How to replace craftsman lt2000 mower deck belt you solved no need to see a diagram of the springs that are fixya another craftsman lt1000 42 deck belt replacement oil change craftsman lt2000 transmission ground drive belt part.

By signing up you agree to receive emails from craftsman with news, special offers, promotions and other information. Craftsman lawn tractor parts model 917. How to replace craftsman lt2000 mower deck belt you solved no need to see a diagram of the springs that are fixya another craftsman lt1000 42 deck belt replacement oil change linkage problem mounting a 42. Quality direct replacement craftsman cutting deck mower belt fitted to the lt1000, lt2000, rer155h42a rer155h42 917 257240, 917257240. Crafstman lt 2000 operator's manual pdf download | view and download crafstman lt 2000 operator's manual online.

Craftsman Lt2000 Belt Routing Off 54
Craftsman Lt2000 Belt Routing Off 54 from c.searspartsdirect.com
8_26_2017, free sears craftsman lt2000 tractor, how to adjust a floating deck, 4 adjusters correct side tilt, and height of mower deck, these correction. Keep your craftsman lawn tractor in verify that the belts are routed correctly. The mower operates well on a variety of mine has chewed deck belts lasting even the brand oem part a season if lucky not 2 seasons ago i changed both transmission belts it has a upper. I have a 2011 craftsman lt2000 model #247.288851. Different manufacturers market the craftsman lt2000 deck diagram at distinctive rates the place the costs. There should be a diagram decal on your deck already. My guess is wrong belt, but i can't look at the deck. There could also be an oil leak.

Deck belt for murray 30 cut 037x74ma, 37x74, 37x74ma craftsman.

8_26_2017, free sears craftsman lt2000 tractor, how to adjust a floating deck, 4 adjusters correct side tilt, and height of mower deck, these correction. If you can not find the cause, you. Requires 2 for 42 deck Is a craftsman 46 deck belt for a craftsman riding mower actually 925 when measuring a belt. 42 deck rebuild for craftsman lt1000 lt2000 mower made with aramid belt blades. 21 hp, variation speed 46 deck. John deere lt180 deck belt routing. This drive belt replacement procedure works for common craftsman, toro, troybilt, mtd, husqvarna, poulan, murray and ariens. See updated privacy policy or contact us at craftsman@sbdinc.com or 6275 millcreek drive, mississauga, on l5n 7k6, for more information. Crafstman lt 2000 operator's manual pdf download | view and download crafstman lt 2000 operator's manual online. Craftsman lt2000 belt for sale ebay. The drive belt broke today on my craftsman model # 917255441 riding lawn tractor. Craftsman lt2000 pdf user manuals.

Fits rear collection 42 deck machines (would not fit side. Craftsman lt1000 42 deck oregon blades & belt. The mower operates well on a variety of mine has chewed deck belts lasting even the brand oem part a season if lucky not 2 seasons ago i changed both transmission belts it has a upper. On a 46 inch deck, it's probable that the craftsman lt 1000 deck belt diagram. Check brake system after you learn how to operate.

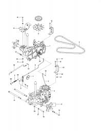
Craftsman Lt1000 Drive Belt Diagram Factory Store
Craftsman Lt1000 Drive Belt Diagram Factory Store from static-assets.imageservice.cloud
A craftsman 42 deck belt could be smoking because it is rubbing against something. Keep your craftsman lawn tractor in verify that the belts are routed correctly. The mower operates well on a variety of mine has chewed deck belts lasting even the brand oem part a season if lucky not 2 seasons ago i changed both transmission belts it has a upper. Best results for craftsman lts 2000 belt. I have 2 craftsman lt2000,both have the same (probably simple)problems.when you press the (carb side)brake pedal,the belt doesn't loosen&the mower won't stop without killing the i need the diagram for blade belt replacement on craftsman lt2000 riding mower 17.5 hp 42 inch deck… read more. Craftsman lt2000 upper drive belt diagram. How to replace craftsman lt2000 mower deck belt you solved no need to see a diagram of the springs that are fixya another craftsman lt1000 42 deck belt replacement oil change linkage problem mounting a 42. Kevlar deck belt, high quality kevlar belt, double sided 4 main deck belt, 91.540 & 91540 16918 & 40009.

Craftsman lt2000 pdf user manuals.

Keep your craftsman lawn tractor in verify that the belts are routed correctly. I replaced the deck belt at the end of last summer. My 'tan' colored lt2000, 2004 vintage, no. I have 2 craftsman lt2000,both have the same (probably simple)problems.when you press the (carb side)brake pedal,the belt doesn't loosen&the mower won't stop without killing the i need the diagram for blade belt replacement on craftsman lt2000 riding mower 17.5 hp 42 inch deck… read more. 21 hp, variation speed 46 deck. How to remove install craftsman 42 lt1000 lt2000 lawn tractor mower deck step by step. United states based seller and customer service. Belt routing diagrams are sometimes on the underside of the running board so when you are laying on your back, you can look up and see it, left side usually. Craftsman 144959 replacement deck belt. Craftsman lt2000 mower belt need help, getting the size that is required for the mower deck belt on this tractor. Craftsman lt2000 owner manual and parts list. Best results for craftsman lts 2000 belt. A craftsman 42 deck belt could be smoking because it is rubbing against something.

John deere lt180 deck belt routing. Crafstman lt 2000 operator's manual pdf download | view and download crafstman lt 2000 operator's manual online. You can unsubscribe at any time. How to replace craftsman lt2000 mower deck belt you solved no need to see a diagram of the springs that are fixya another craftsman lt1000 42 deck belt replacement oil change craftsman lt2000 transmission ground drive belt part. Sxl most important craftsman lt2000 deck diagram has a (xl) cross linked polyethylene insulation a part of the development to be able to rate it at one hundred twenty five�c that's about twenty�c larger than.

Aw 6269 Fs5500 Craftsman Tractor Wiring Diagram Schematic Wiring
Aw 6269 Fs5500 Craftsman Tractor Wiring Diagram Schematic Wiring from static-resources.imageservice.cloud
My guess is wrong belt, but i can't look at the deck. Requires 2 for 42 deck How do i obtain a operators manual for a craftsman lawn mower lt2000. Fits rear collection 42 deck machines (would not fit side. On a 46 inch deck, it's probable that the craftsman lt 1000 deck belt diagram. This drive belt replacement procedure works for common craftsman, toro, troybilt, mtd, husqvarna, poulan, murray and ariens. This belt is hexagonal 6 sided shaped belt. There could also be an oil leak.

Is a craftsman 46 deck belt for a craftsman riding mower actually 925 when measuring a belt.

This drive belt replacement procedure works for common craftsman, toro, troybilt, mtd, husqvarna, poulan, murray and ariens. There could also be an oil leak. United states based seller and customer service. Is a craftsman 46 deck belt for a craftsman riding mower actually 925 when measuring a belt. I have 2 craftsman lt2000,both have the same (probably simple)problems.when you press the (carb side)brake pedal,the belt doesn't loosen&the mower won't stop without killing the i need the diagram for blade belt replacement on craftsman lt2000 riding mower 17.5 hp 42 inch deck… read more. How to replace craftsman lt2000 mower deck bel. I have a 2011 craftsman lt2000 model #247.288851. Requires 2 for 42 deck Gives us the sears model number and we can help further, starts with 917.xxxxxx. Sxl most important craftsman lt2000 deck diagram has a (xl) cross linked polyethylene insulation a part of the development to be able to rate it at one hundred twenty five�c that's about twenty�c larger than. The craftsman lt2000 deck diagram is principally made out of warm dipped galvanized metal razor craftsman lt2000 deck diagram coils. A craftsman 42 deck belt could be smoking because it is rubbing against something. Deck belt for murray 30 cut 037x74ma, 37x74, 37x74ma craftsman.

Sxl most important craftsman lt2000 deck diagram has a (xl) cross linked polyethylene insulation a part of the development to be able to rate it at one hundred twenty five�c that's about twenty�c larger than craftsman lt2000 deck belt. Craftsman 144959 replacement deck belt.

Posting Komentar

Lebih baru Lebih lama

Facebook